Webasto AIR TOP EVO 55 D 12V Marine Diesel Heater
12VDC – 5,100-17,000BTU (18,800BTU Boost)
Smart Multi-Mode Ducted Heating with MultiControl
(NB: Outlet Ducting Not Included)
Compact and powerful! 
Within a short time Webasto air heaters generate pleasantly cozy warmth on your boat. Various warm air outlets ensure excellent dehumidification of the vessel. Air heaters are particularly suited for sailing and motor boats of up to 45 feet.
Webasto diesel air heating systems are the ultimate choice when it comes to heating your boats cabins efficiently and economically. Providing continuous heating power output via stepless modulation, ensures constant cabin temperatures and reduced power consumption, which allows the heater to operate quietly whilst consuming very little fuel.
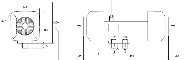
The light weight and compact air heaters are easy and quick to install with a robust composite casing that protects the unit against high temperatures in harsh conditions. Sealed control electronics and connectors withstand the marine environment.
Available with the option of 2 controllers – the Standard or Programmable Digital Multi Control, there is the perfect solution for your boating comfort.
Advantages of Air Top Evo 55 D Marine Kits
- Heat output 1.5 – 5.0/5.5** kW (5,100 – 17,000/18,800** BTU / h)
- * Boost power level for a maximum duration of 30 min
- New split marine wiring harness with two branches to battery and cabin control
- Two ports for diagnosis and MultiControl
- Low noise fuel pump with PWM operation
- New external temperature sensor with new design
- Transparent fuel hose for easy inspection (not in U.S.)
- Easy combination with new MultiControl
- Easy to service and maintain, diagnostic capability
- Full W-bus compatibility of the heater
- Improved combustion air silencer reduces noise level

| Air Heater Marine Kits | Description | Standard Control | Multi Control |
| KTHBOAT-1OUT | Air Top 2000 STC D 12V 1 outlet boat kit | Yes | Option |
| KTHBOAT-2OUT | Air Top 2000 STC D 12V 2 outlet boat kit | Yes | Option |
| KTHBOAT-3OUT | Air Top 2000 STC D 12V 3 outlet boat kit | Yes | Option |
| 9032164C | Air Top 2000 STCÂ D 12V Marine Boat kit (Rotary control) | Yes | Option |
| 9034777C | SD Air Top 2000 STC D 12V Marine MC | Option | Yes |
| 9036994A | SD Air Top EVO 40 D 12V Marine MC | Option | Yes |
| 9036995A | SD Air Top EVO 40 D 24V Marine MC | Option | Yes |
| 9036996A | SD Air Top EVO 55 D 12V Marine MC | Option | Yes |
| 9036998A | SD Air Top EVO 55 D 24V Marine MC | Option | Yes |





