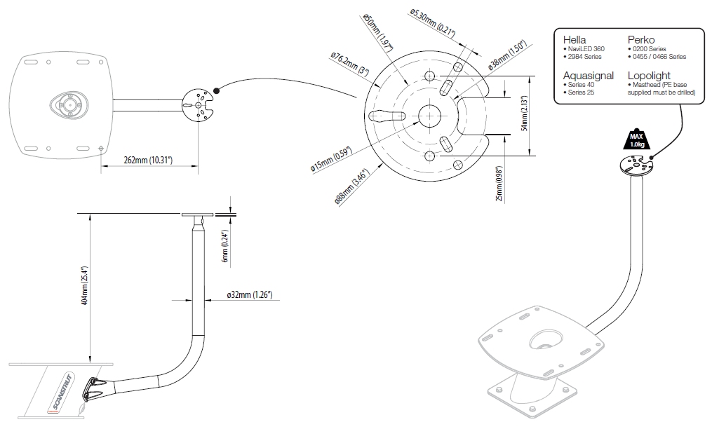
Scanstrut – Light Bar Mount CENTRAL – APT-LB-01 (106314)
Suits Aluminium PowerTowers APT-150-250
Suits Aluminium PowerTowers 150-250mm
Maximize your Navlight performance. Central light bar for all aft learning PowerTowers. ( APT-150-01 / APT-250-01)
- The central bar fits to the PowerTower using a pre-drilled, internally mounted 316 stainless backing plate
- Paint finishes complies with our unique 4 step marine paint systemÂ
- Fits a wide range of Navlights
- Internal cable routing into the PowerTowerÂ
Suits:
Hella
- NaviLED 360 Pro
- 2984 Series
Aquasignal
- Series 40
- Series 25
Perko
- 0200 Series
- 0455 / 0466 Series
Downloads:





