Quick T631512 Reversing Solenoid 12V 150A - 3 Pole
Suits Anchor Winches (FTT631512000B00)
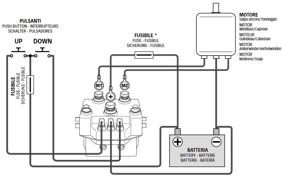
The Quick T6315 is a contactor that is able to operate electric motors for windlasses and capstans. Due to the external connections, this unit is very easy to install. The casing of this unit is IP66 waterproof.
Downloads:







