Mastervolt Alpha III 24/75 MB Alternator & Regulator Combo (48624076)
24 Volt 75 Amp Multi Groove Pulley - Six O'clock Mounting System
Available in 12 - 24VDC / 75 - 150Amps
Australia Wide Shipping
For all engine types Alpha alternators are equipped with several fixations for customised alternator brackets, available from your installer or engine supplier. Some engine brands come with Mastervolt alternator brackets as an option. Using a Battery Mate or battery isolator in conjunction with an Alpha alternator makes it possible to easily charge two or three separate battery sets simultaneously.
Fast charging, even at a stationary rpm Standard alternators only supply the specified capacity at a high rpm. The Mastervolt Alpha alternator is specifically designed for powerful charging, even with a low engine rpm.
Multi-belt pulley The 12/130 and 24/75 models are also available with a multi-belt pulley.
Performs above 40 °C Forced cooling by fan operation of the pulley provides a lot of power in higher temperatures, especially close to the engine.
System Features:
- Fast & complete charging of starter and service batteries.
- Power supply for all consumers.
- 12 V and 24 V versions.
- 75 A to 150 A charge current.
- Standard delivered with Alpha Pro MB charge regulator for an optimal performance and longer-lasting batteries.
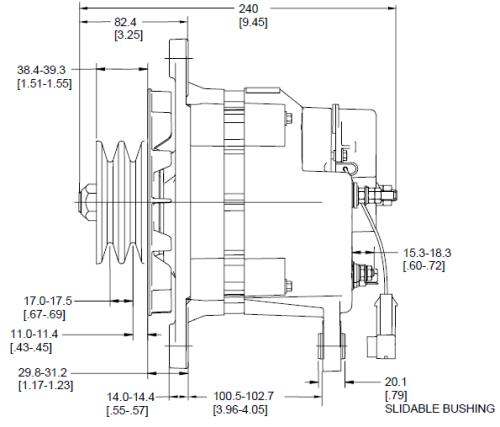
Mounting Dimensions:


Alpha Pro III MB:
The charge regulator measures the battery temperature and adjusts the charging process accordingly, resulting in a safe and fast charge. Therefore the battery is always kept in good condition.
- Suitable for 12 and 24 V.
- Including plug & play connection cable, an adapter cable for Bosch alternators is optional.
- The Alpha Pro series is suitable for most alternators with a charging current of up to 400 amps.
- Automatic voltage and temperature compensation.
- ‘Keep alive’ function for tachometer.
- MasterBus compatible.
Easy to operate Easy operation LEDs on the body of the charge regulator indicate the charge phase. The Alpha Pro is designed as a ‘fit all’ solution. Just one unit is needed for both 12 and 24 V applications, with a simple selector switch to set the regulator to the right voltage. The charge regulator can also be used on any other brand of alternator that has a standard Bosch connector, using a Bosch adapter cable (optional; product code 45510500).
MasterBus connectivity The Alpha Pro is compatible with MasterBus, allowing easy monitoring via a MasterView touchscreen. In a MasterBus system the voltage drop over the battery cable and the battery temperature is compensated automatically.
Benefits of a Mastervolt charge regulator
- The Alpha Pro charge regulator maximises the output of Mastervolt Alpha alternators or any other alternator by regulating the alternator in a way that the batteries receive the optimum charge. The proven 3-step+ charge method used by all Mastervolt battery chargers guarantees fast and safe charging of your batteries.
- The Alpha Pro helps to cut emissions by requiring less run time because it maximises the power from any alternator. A battery can be charged quickly even at very low RPM, especially when connected to an Alpha series alternator. By connecting the Alpha Alternator to a Battery Mate or battery isolator, several battery banks can be charged simultaneously.
- Does your tachometer sometimes indicate zero while the engine is running? The ‘keep alive’ function of the Alpha Pro gets rid of this problem for ever.
*Image for illustration purposes product may vary depending on model size

Options:
- 12/90, incl. 3-step Alpha Pro III charge regulator (48612090)
- 12/130, incl. 3-step Alpha Pro III charge regulator (48612130)
- 12/130 multi groove, incl. 3-step Alpha Pro III charge regulator (48612131)
- 24/75, incl. 3-step Alpha Pro III charge regulator (48624075)
- 24/75 multi groove, incl. 3-step Alpha Pro III charge regulator (48624076)
- 24/110, incl. 3-step Alpha Pro III charge regulator (48624110)
- 24/150, incl. 3-step Alpha Pro III charge regulator (48624150)
-
Mastervolt Alpha Pro III MB Charge Regulator - Automatic Voltage and Temperature Compensation (110773)
Downloads:
- <Charging Current Amps Output V's RPM
- <Alternator Dimensional Drawings
- <System Diagram 24/75 Alternator to Alpha-Pro
- <Mastervolt Alt & Alpha Pro Manual





