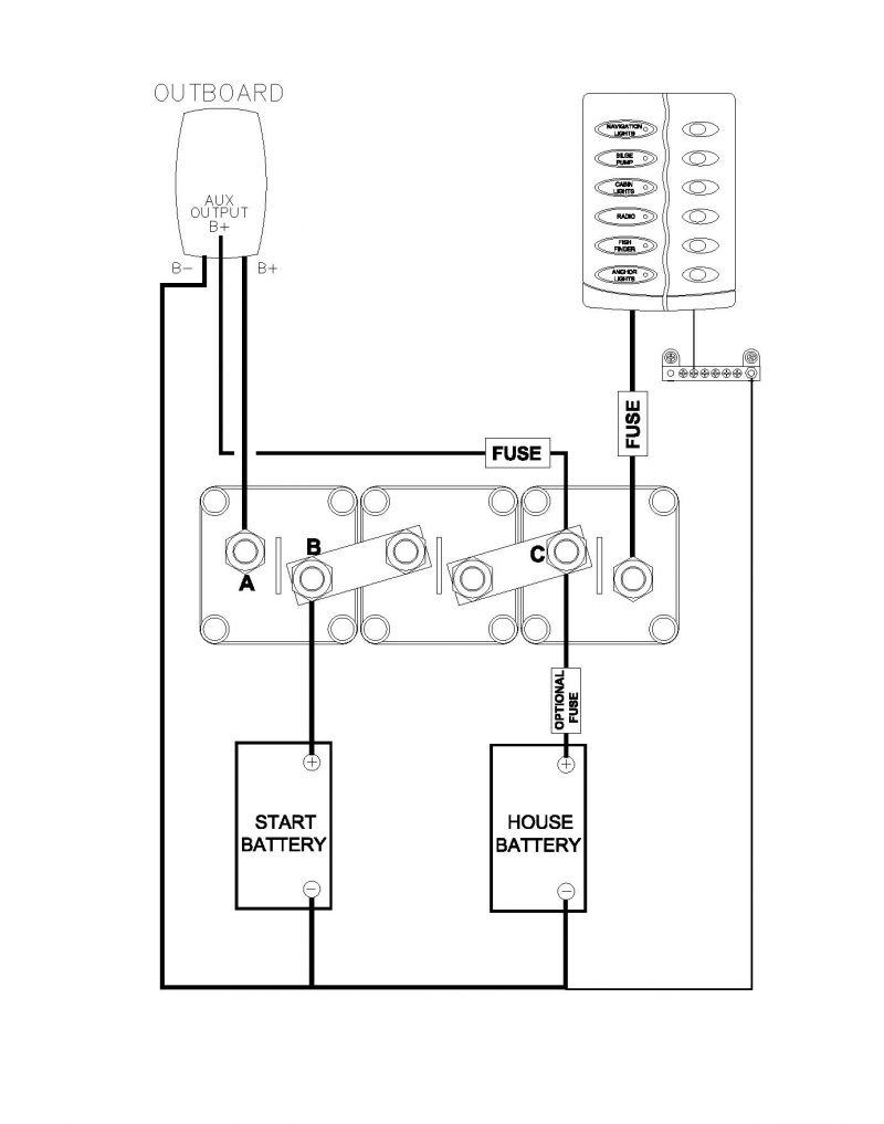
BEP Vertical Battery Switch Cluster
Single Engine with Two Battery Banks 113554 (SUR 715-V)
(Vertical) Single Engine - Two dedicated Battery Banks
Dual Battery charging clusters for use on charging systems under 140Amps
To be used in the following systems:
- Single outboard dual battery bank
- Single alternator inboard engine dual battery bank
DVSR Charging Operation Explained
The DVSR is connected between two battery banks. When the DVSR senses a charging voltage (13.4VDC or 26.8VDC) on either of the banks, it automatically activates and joins the two battery banks after a short delay (5seconds), so they are charged as one battery bank.
DVSR Charging Isolation Explained
When the DVSR senses that batteries are not being charged (voltage drops to 12.8V DC or 25.6V DC) the DVSR deactivates following a 20 second delay, separating the combined battery banks into two isolated banks
Downloads:







